分頻器設計原理淺析
時間:2018-08-09 來源:未知
對于分頻器的認識剛開始只是知道是一種可以用來劃分不同頻率的電路。借著機會認真學習了分頻器的具體原理。以下內容主要是分頻器設計原理的總結。
分頻器分為電子分頻和傳統的電容電感分頻器。電子分頻器通常位于功率放大器前。因為電流較小可以用較小功率的電子有源濾波器實現,所以調整較容易、功率消耗小并且揚聲器單元之間的干擾小。但是由于每路都要用到獨立的功率放大器,成本比較高,電路結構相對復雜的多,電子分頻器主要運用于專業擴聲系統中。傳統的電容電感分頻器的本質實際上是LC濾波網絡電路。
分頻器的應用:
分頻器主要的應用就是在音響中的應用。分頻器把輸入的模擬音頻信號分離成高音,中音,低音等不同成分后,再分別送入相應的高,中,低音喇叭單元中重放。實現對模擬聲音信號轉化成相應的聲音播放出來。分頻器的好壞決定了音響音質的好壞。由于現在音響種類很多,相應的分頻器的種類也比較多,常用的分頻器有2分頻,3分頻4分頻等。要使音響達到不同的效果,通常需要靈活配置分頻器。
單元:
分頻器中的單元就是按照頻率劃分出來的超高音,高音,中高音,中音,重低音,低音,超低音等不同的頻率段。
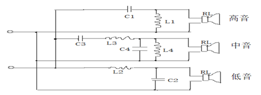
分頻器基本電路原理圖:

分頻器的主要電路元器件:
電阻:在分頻電路中主要的作用是調整靈敏度
電感:阻擋較高頻率,只讓較低頻率成分通過
電容:獨擋較低頻率,允許較高頻率部分通過
電容器特性:
由于當電容器兩端加載電壓的時候,兩端就會感應并存儲電荷,此時電容器就相當于一個臨時的存儲電能的器;當電容器兩端電壓變化很快的時候,也就是我們所說的高頻,此時,由于快速變化的電壓導致電容器兩端的感應電荷也同步地變化,也就等效于有電流流過電容器。當頻率很低的時候,電容器兩端電壓變化很慢,也就近似沒有電流流過電容器。所以體現出來的效果就是電容器器的通高頻組低頻的特性。
電感特性:
當有電流通過的時候,如果電流的大小和方向發生變化,線圈會產生感應電動勢,它與原來的電壓方向相反,即體現出來的效果就是電感線圈是阻礙變化的電流通過的;當電流變化很快的時候,線圈產生的負電壓就會很大,阻礙變化的電流通過的阻礙作用越大。所以體現出來的就是電感通低頻阻高頻的特性。
分離高頻部分的原理:
如上圖鏈接高音喇叭的電路部分,電流流過電容器的時候,由于電容器的通高頻阻低頻特性,此時得到的是高頻部分,并且喇叭與一個線圈并聯,此時線圈產生一個負電壓,這個負電壓對于高音喇叭來說就正好是一個電壓補償,這樣就很近似的把高頻部分的模擬信號還原成聲音電流。
分離低頻部分的原理:
電流流過線圈,由于電感線圈通低頻阻高頻的特性,高頻部分被阻止,低頻部分順利通過電感線圈,并且,低音喇叭并聯了一個電容器,利用電容器在高頻的時候產生一個電壓來補償損失的電壓,同樣,就很近似的把低頻部分的模擬信號還原成聲音信號。
分頻器的“路”:
是指分頻器將輸入的原始信號分成的不同頻率段的信號,即常說的2分頻、3分頻等。
分頻器的“階”:
是指一個無源分頻器中濾波電路的數量。通常精細的濾波器設計,在每一個濾波電路中都有多路濾波,經過多次濾波得到想要的頻率部分進行輸出。通常有“雙路一階分頻器”,“雙路二階分頻器”。
阻抗:
阻抗=原件本身的直流電阻+感抗向量值+容抗向量值
每一個額定電感量和額定電容量的電感和電容對某一個頻率的信號變化的阻礙作用是不一樣的,所以在信號的頻率發生變化的時候,單元的阻抗就會呈現出曲線。因為單元的音圈本身就是一個電感,電感當然自身也有直流電阻。
一般來說高音單元的阻抗曲線較為平直,低音單元在某一個頻段的阻抗會表現出明顯的峰值。因此低音在分頻電路中總是需要被特殊照顧。
絕大部分為無源功率分頻器,通常稱為“巴特沃斯分頻器”。它的瞬態響應好,又有平坦的頻響特性曲線。2階二路分頻器巴特沃斯參數設置如下:
C 1 = 0.1125 / RH F L1 = 0.2251 RL / F
C2 = 0.1125 / RL F L2 = 0.2251 RH / F
分頻器的設計重要的就是分頻點的選取和分頻器的相位的問題。分頻點選取高一點,高頻部分就比較亮麗;分頻點取低一點,高頻部分比較厚實。分頻器中有電容、電感。對于電容來說,通過電容的電流比電壓超前90゜,而通過電感的電流比電壓滯后90゜,對于一階和三階巴特沃斯濾波器來說,它們在分頻點附近很大范圍內相位的超前和滯后能夠相互抵消,可以使通帶內的相移剛好為0。所以,一階和三階分頻器,高低音喇叭可以相連。對于四階分頻器來說,它具有比較好的相位特性,其分頻點處的相位差為360゜,即低高通網絡在分頻點處相位是相同的。所以高低音喇叭也是可以相連的。對于二階分頻器來說,在分頻點處有180゜的相位差,我們必須將高低音喇叭反相連接。
如果在分頻點處,高低音揚聲器全功率工作勢必在分頻點附近,聲音特別響。所以,要設法在分頻點處,使高低音喇叭各分得一半功率。這樣我們可以認為,Xc(高通容抗) =XL(低通感抗)=Z(喇叭阻抗),則滿足了以上的分頻要求。由此等式可得: Xc=1/2πfC=Z C=1/2πfZ (1) ,XL=2πfL=Z L=Z/2πf (2) ,式中f為分頻點頻率。(1) (2)式計算出的值,即為高通電容低通電感數值。其它階數的計算公式都可以通過此基本公式推導而得。
設計出來的分頻器通常因為各種原因,在分頻點附近和其他頻率點上都會產生峰谷。這就要運用“RLC”電路來校正。
其實傳統的電感電容分頻器就是常說的功率分頻器,其特點是連接簡單,使用方便。同時因為它會消耗功率,出現音頻谷點,還會產生交叉失真,其參數與揚聲器阻抗有直接聯系,揚聲器的阻抗是頻率的函數,通常情況下設計出來的分頻器與理想效果偏差比較大,調整也不方便。

