TFT-LCD常用接口分類
時間:2018-08-09 來源:未知

1、TTL接口概述
TTL(Transistor Transistor Logic)即晶體管-晶體管邏輯,TTL電平信號由TTL器件產生。TTL器件是數字集成電路的一大門類,它采用雙極型工藝制造,具有高速度、低功耗和品種多等特點。
TTL接口屬于并行方式傳輸數據的接口,采用這種接口時,不必在液晶顯示器的驅動板端和液晶面板端使用專用的接口電路,而是由驅動板主控芯片輸出的TTL數據信號經電纜線直接傳送到液晶面板的輸人接口。由于TTL接口信號電壓高、連線多、傳輸電纜長,因此,電路的抗干擾能力比較差,而且容易產生電磁干擾(EMI)。在實際應用中,TTL接口電路多用來驅動小尺寸(15in以下)或低分辨率的液晶面板。TTL高像素時鐘只有28MHz。
TTL是信號時TFT-LCD唯一能識別的信號,早期的數字處理芯片都是TTL的,也就是RGB直接輸出到TFT-LCD。
2、TTL接口的信號類型
驅動板TTL輸出接口中一般包含RGB數據信號、時鐘信號和控制信號這三大類信號。如下圖所示:

(1)RGB數據信號
a、單通道TTL

單通道6bit TTL輸出接口
對于6bit單路TTL輸出接口,共有18條RGB數據線,分別是R0~R5紅基色數據6條,G0~G5綠基色數據6條,B0~B5藍基色數據6條,共3*6=18條。由于基色RGB數據為18bit,因此,也稱18位或18bitTTL接口。
單通道8bit TTL輸出接口
對于8bit單路TTI,輸出接口,共有24條RGB數據線,分別是R0~R7紅基色數據8條,B0~B7綠基色數據8條,BO~B7藍基色數據8條,共3*8=24條。由于基色RGB數據為24bit,因此,也稱24位或24bitTTL接口。
b、雙通道TTL
雙通道,也就是兩組RGB數據,分為奇通道、偶通道,時鐘有的也分為OCLK/ECLK,有的公用一個,我們示意圖上畫了兩個,如下所示:

雙通道6bit TTL輸出接口
對于6bit雙路TTL,輸出接口,共有36條RGB數據線,分別是奇路RGB數據線18條,偶路RGB數據線18條,3*6*2=36條。由于基色ROB數據為36bit,因此,也稱36位或36bitTTL接口。
雙通道8bit TTL輸出接口
對于8bit雙路TTL輸出接口,共有48條RGB數據線,分別是奇路RGB數據線24條,偶路RGB數據線24條,3*8*2=48條。由于基色RGB數據為48bit,因此,也稱48位或48bitTTL接口。
(2)時鐘信號
是指像素時鐘信號,是傳輸數據和對數據信號進行讀取的基準。在使用奇/偶像素雙路方式傳輸RGB數據時,不同的輸出接口使用像素時鐘的方法有所不同。有的輸出接口奇/偶像素雙路數據共用一個像素時鐘信號,有的輸出接口奇/偶兩路分別設置奇數像素數據時鐘和偶數像素兩個時鐘信號,以適應不同液晶面板的需要。
(3)控制信號
控制信號包括數據使能信號(或有效顯示數據選通信號)DE、行同步信號HS、場同步信號VS。
二、LVDS
1、LVDS接口概述
LVDS,即Low Voltage Differential Signaling,是一種低壓差分信號技術接口。克服以TTL電平方式傳輸寬帶高碼率數據時功耗大、EMI電磁干擾大等缺點而研制的一種數字視頻信號傳輸方式。LVDS輸出接口利用非常低的電壓擺幅(約350mV)在兩條PCB走線或一對平衡電纜上通過差分進行數據的傳輸,即低壓差分信號傳輸。采用LVDS輸出接口,可以使得信號在差分PCB線或平衡電纜上以幾百Mbit/s的速率傳輸,由于采用低壓和低電流驅動方式,因此,實現了低噪聲和低功耗。
2、LVDS接口電路的組成
在液晶顯示器中,LVDS接口電路包括兩部分,即主板側的LVDS輸出接口電路(LVDS發送端)和液晶面板側的LVDS輸入接口電路(LVDS接收器)。LVDS發送端將TTL信號轉換成LVDS信號,然后通過驅動板與液晶面板之間的柔性電纜(排線)將信號傳送到液晶面板側的LVDS接收端的LVDS解碼IC中,LVDS接收器再將串行信號轉換為TTL電平的并行信號,送往液晶屏時序控制與行列驅動電路。也就是其實TFT只識別TTL(RGB)信號。這部分我們做samsung的方案中用的比較多,因為samsung芯片沒有LVDS輸出,所以我們用LVDS接口的TFT-LCD的時候就要加一個(RGB-LVDS)轉換芯片,這個后面我們重點說。

3、LVDS接口的信號類型
LVDS信號有數據差分和時鐘差分信號組成。如下圖所示:

(1)、單通道LVDS

單通道6位數據(如果是6位的Y3M/P這組紅色的線沒有)
有4組差分線,3組信號線,一組時鐘線。Y0M、Y0P、Y1M、Y1P、Y2M、Y2P、CLKOUT_M、CLKOUT_P。
單通道8位數據
有5組差分線,4組信號線,一組時鐘線。分別是Y0M、Y0P、Y1M、Y1P、Y2M、Y2P、CLKOUT_M、CLKOUT_P。
(2)、雙通道

LVDS在傳輸分辨率較高的數據時,抗干擾能力比較強,可是1920X1080以上分辨率時,單路不堪重負,所以有雙路接口出現。目的很簡單,加快速度,增強抗干擾能力。
雙通道6位數據
剛好是單通道的兩倍,時鐘也是兩路,紅色部分:Y3M、Y3P、Y3M1、Y3M1這兩組信號不接。
雙通道8位數據
和前面的比較類似。
三、TTL(RGB)轉換成LVDS
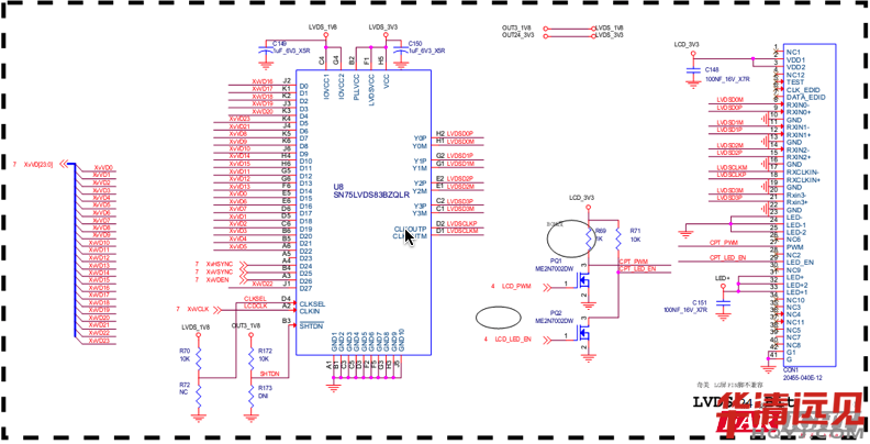
我們在項目中用到過兩顆芯片:SN75LVDS83B 、THC63LVD827(可輸出雙路LVDS),以SN75LVDS83B來說明。
1、SN75LVDS83B、主控、LVDS接口的LCD關系
如下圖所示SN75LVDS83B的應用:

其實就是:把三星芯片輸出的TTL(RGB)信號轉換成LVDS差分信號輸出的LCD接收端。

硬件的接口如下所示:

2、SN75LVDS83B的參考電路
其實這部分要注意的是LCD的位數,你的屏是16bit、18bit、還是24bit的,不同位數的LCD有不同的硬件接線方法。如下圖是samsung exynos4412提到的AP端,在不同位數輸出時的接線圖。

(1)、24bitRGB 24bit lcd
注意到用到五組差分信號線,四組信號一組時鐘。

(2)、24bitRGB 18bit lcd
注意到用到四組差分信號線,三組信號一組時鐘,Y3M、Y3P是NC的。AP端RGB的接線方式也不一樣,6、7兩個bit接地。

如果按(1)中的接線方法(24bit輸出),接上18bit的屏。18bit 屏RGB(純色)信號顯示正常,可是有畫面、漸變的就不正常。

