實時時鐘的縮寫是RTC(Real_Time Clock)。RTC 是集成電路,通常稱為時鐘芯片。RTC通常情況下需要外接32.768kHz晶體,匹配電容、備份電源等元件。RTC除了I/O口的定位不同,還有功能上的區別,比如與MCU的接口,現在常用的是I2C接口(距離短,可以與其他器件共用)還有RAM的數量、靜態功耗大小、中斷的數量,特別是精度的區別。 RTC的精度可以說與溫度有很大的關系,而溫度會影響晶體的頻率。本章介紹的是集成在芯片內部的時鐘功能模塊。
1 RTC介紹
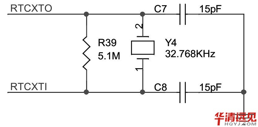
在一個嵌入式系統中,通常采用RTC 來提供可靠的系統時間,包括時分秒和年月日等,而且要求在系統處于關機狀態下它也能夠正常工作(通常采用后備電池供電)。它的外圍也不需要太多的輔助電路,典型的就是只需要一個高精度的32.768kHz晶體和電阻電容等,如圖1所示。


圖12-1 RTC外接電路
2 RTC控制器
實時時鐘(RTC)單元可以通過備用電池供電,因此,即使系統電源關閉,它也可以繼續工作。RTC 可以通過STRB/LDRB 指令將8 位BCD 碼數據送至CPU。這些BCD 數據包括秒、分、時、日期、星期、月和年。RTC 單元通過一個外部的32.768kHz晶振提供時鐘。RTC具有定時報警的功能,如圖2所示。RTC 控制器功能說明:

圖12-2 RTC控制器
● 時鐘數據采用BCD 編碼。
● 能夠對閏年的年月日進行自動處理。
● 具有告警功能,當系統處于關機狀態時,能產生告警中斷。
● 具有獨立的電源輸入。
● 提供毫秒級時鐘中斷,該中斷可用于作為嵌入式操作系統的內核時鐘。
3 RTC控制器寄存器詳解
如表3所示為相關寄存器描述。
表3 RTC控制寄存器
|
RTCCON |
位 |
描述 |
復位值 |
|
保留 |
[31:9] |
保留 |
0 |
|
TICEN |
[8] |
嘀嗒計時器
0 = 禁止
1 = 使能 |
0 |
|
TICCKSEL |
[7:4] |
嘀嗒計時器子時鐘源選擇
4'b0000 = 32768 Hz 4'b0001 = 16384 Hz
4'b0010 = 8192 Hz 4'b0011 = 4096 Hz
4'b0100 = 2048 Hz 4'b0101 =1024 Hz
4'b0110 =512 Hz 4'b0111 =256 Hz
4'b1000 =128 Hz 4'b1001 =64 Hz
4'b1010 =32 Hz 4'b1011 =16 Hz
4'b1100 =8 Hz 4'b1101 =4 Hz
4'b1110 =2 Hz 4'b1111 =1 Hz |
4'b0000 |
|
CLKRST |
[3] |
RTC時鐘計數復位
0 = 不復位
1 = 復位 |
0 |
|
CNTSEL |
[2] |
BCD計數選擇
0 = 分配 BCD 計數
1 = 保留 |
0 |
|
CLKSEL |
[1] |
BCD 時鐘選擇
0 = XTAL 1/2 divided clock
1 = 保留(XTAL 供頻) |
0 |
|
RTCEN |
[0] |
RTC控制使能
0 = 禁止
1 = 使能 |
0 |
如表4所示為BCD秒寄存器描述。
表4 BCDSEC寄存器
|
BCDSEC |
位 |
描述 |
復位值 |
|
保留 |
[31:7] |
保留 |
-- |
|
SECDATA |
[6:4] |
BCD 值 0~5 |
-- |
|
[3:0] |
0~9 |
-- |
如表5所示為BCD分鐘寄存器描述。
表5 BCDMIN寄存器
|
BCDMIN |
位 |
描述 |
復位值 |
|
保留 |
[31:7] |
保留 |
-- |
|
MINDATA |
[6:4] |
BCD 值 0~5 |
-- |
|
[3:0] |
0~9 |
-- |
如表6所示為BCD小時寄存器描述。
表6 BCDHOUR寄存器
|
BCDHOUR |
位 |
描述 |
復位值 |
|
保留 |
[31:7] |
保留 |
-- |
|
HOURDATA |
[5:4] |
BCD 值 0~5 |
-- |
|
[3:0] |
0~9 |
-- |
如表7所示為BCD日期寄存器描述。
表7 BCDDATE寄存器
|
BCDDATE |
位 |
描述 |
復位值 |
|
保留 |
[31:7] |
保留 |
-- |
|
DATEDATA |
[5:4] |
BCD 值 0~3 |
-- |
|
[3:0] |
0~9 |
-- |
如表8所示為BCD星期寄存器描述。
表8 BCDDAY寄存器
|
BCDDAY |
位 |
描述 |
復位值 |
|
保留 |
[31:3] |
保留 |
-- |
|
DAYDATA |
[2:0] |
1~7 |
-- |
如表9所示為BCD月寄存器描述。
表9 BCDMON寄存器
|
BCDMON |
位 |
描述 |
復位值 |
|
保留 |
[31:5] |
保留 |
-- |
|
MONDATA |
[4] |
BCD 值 0~1 |
-- |
|
|
[3:0] |
0~9 |
-- |
如表10所示為BCD年寄存器描述。
表10 BCDYEAR寄存器
|
BCDYEAR |
位 |
描述 |
復位值 |
|
保留 |
[31:8] |
保留 |
-- |
|
YEARDATA |
[7:4] |
BCD 值 0~9 |
-- |
|
[3:0] |
0~9 |
-- |
4 RTC應用示例
1.相關寄存器定義
typedef struct {
unsigned int BCDSEC;
unsigned int BCDMIN;
unsigned int BCDHOUR;
unsigned int BCDDATE;
unsigned int BCDDAY;
unsigned int BCDMON;
unsigned int BCDYEAR;
}rtcbcd;
#define RTCBCD (* (volatile rtcbcd *)0xEA300070)
2.主程序
下面的代碼實現了一個將RTC的年月日、時分秒讀出的功能,可以將注釋掉的代碼打開來復位值。
void rtc_init(void)
{
RTCCON = 0X01; //使能RTC控制些功能
RTCBCD.BCDSEC = 0x0; // 2012 03 15, 12:59:00.以BCD碼格式寫入
RTCBCD.BCDMIN = 0x59;
RTCBCD.BCDHOUR =0x12;
&nbsnbsp; RTCBCD.BCDDATE = 0x15;
RTCBCD.BCDMON = 0x03;
RTCBCD.BCDYEAR = 0x12;
RTCCON = 0; //關閉RTC控制些功能
}
int main()
{
unsigned int i = 0;
uart0_init();
rtc_init(); //初始化時間
while(1) //循環打印時間
{
printf("hour %x : min %x : sec %x\r",RTCBCD.BCDHOUR,RTCBCD.BCDMIN,RTCBCD.BCDSEC);
for(i=0;i<10000000;i++);
}
return 0;
}
2.實驗過程及現象:
編譯生成的.elf文件,硬件接線。并連接好FS_JTAG仿真器套件。將程序編譯后獲得.elf文件,將該文件通過仿真器下載并運行在目標版上,終端打印信息如下所示。
hour 12 : min 59 : sec 17
hour 12 : min 59 : sec 18
hour 12 : min 59 : sec 19
hour 12 : min 59 : sec 20